连云港科龙安装中心:通电操作开机,室内风机运转一会儿即停机,红灯闪亮。
通电操作开机,室内风机运转一会儿即停机,红灯闪亮。
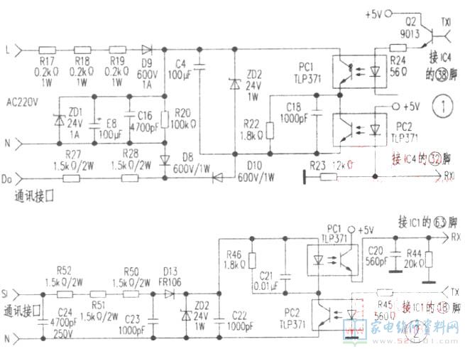
分析与检修:查该机型故障代码含义得知,属通讯不良(电路见图1、图2)。先用万用表直流电压挡测量室外机接线端子②脚(N)和④脚(S1)间无(约为40V的)脉动电压,后测量室内、室外机通讯电路+5V、+24V电源均正常;再用万用表电阻挡检测联机线均无断线、接错位或接触不良等现象,由此怀疑通讯电路元件存在不良。
接着在断电的情况下用万用表电阻挡分别检查光电耦合器PC1、PC2和IC1、IC2,发现IC2性能不良,并用同规格的更换,再通电开机后整机恢复正常运转,故障排除。
